293T/HepG2 细胞传代与分装
一、实验目的
传代及扩大细胞培养
二、实验原理
[!quote]-
1.细胞在培养瓶长成致密单层后,已基本上饱和,为使细胞能继续生长,同时也将细胞数量扩大,就必须进行传代。悬浮型细胞直接分板即可,而贴壁细胞需经消化后才能分板(所以说今天分的这个293T细胞和HepG2细胞都是铁壁细胞了)。
[!quote]-
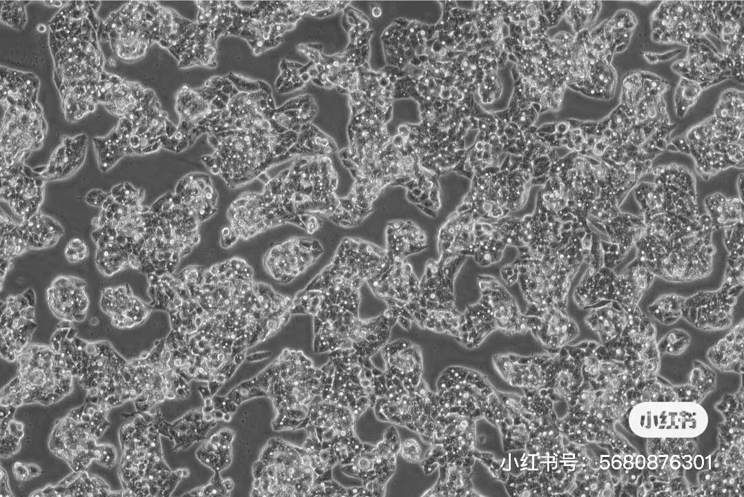
HepG2,人肝癌细胞,来源于一个15岁的白人男性肝癌患者,常用于研究肝脏疾病发病机理及其临床应用。
HepG2属于贴壁细胞,显微镜下呈上皮样,易抱团生长,生长较快,可分泌多种血浆蛋白,如清蛋白、血纤维蛋白溶酶原等。HepG2细胞不携带乙肝病毒基因组,适合作为转染宿主,但在免疫抑制小鼠中成瘤率较差。
HepG2细胞常用DMEM培养基,含10%胎牛血清,在37度、5% CO2培养箱中培养。HepG2对培养条件要求较严格,特别是 pH 值和血清质量,否则可能影响细胞凝集数量,需要使用高质量低内毒素胎牛血清,有利于促进圆形细胞丛簇更好的贴壁及形成单层细胞。
HepG2细胞内容易产生空泡,特别是在融合时,细胞复苏后也可能存在形态不典型的情况,但一般经过几次传代,细胞形态会更加典型稳定,建议传代比例为1:2至1:4,37度胰酶消化2-3分钟。Hep G2细胞内容易产生空泡,属正常现象,多传代几次后,细胞形态更加典型稳定
另需注意:HepG2细胞消化时,细胞易从培养皿上成片脱落,需用机械力吹散成单细胞悬液,否则影响后续细胞贴壁和生长。
培养的HepG2形态不太理想,可考虑添加1%NEAA(NEAA指的是非必须氨基酸),对于细胞状态会有所改善。正常情况下,HD加10%FBS的培养条件即可(这个HD是啥不是很懂???)。
一些网友的讨论:
1.养这个细胞的时候有的时候会有很多的黑点点,如果这些黑点点是会动的话,可能就是黑胶虫,可以用黑胶虫试剂进行处理。
2.HepG2这个细胞的转染的效率是有点低的。



[!quote]-
[!quote]-
三、实验材料
- 细胞:贴壁细胞株
- 试剂:0.25%胰酶、PBS (pH7.4)、培养基(含 10%血清+1%双抗)
- 仪器和器材:倒置显微镜,培养箱、培养瓶、吸管、废液缸等
四、实验方法及步骤
准备工作:
提前 20-30min 用酒精棉球擦拭超净工作台,将所需枪头、EP 管、PBS、细胞培养板、废液桶等放入超净工作台,将超净工作台的紫外灯打开进行紫外灭菌 20min,同时将所需培养基于 37℃水浴锅预热(只有这个用到的细胞培养基才需要提前加热)。操作过程中所有拿进超净工作台的物品均需要 75%酒精喷拭。实验结束后,酒精棉球擦拭台面,废液桶内废弃物以及要处理的培养皿等要用消毒水浸泡后再丢弃。
实验步骤:
- 吸除 10cm 培养皿内旧培养液。
- 加入 5mL PBS 润洗一遍后,吸除 PBS。
- 向瓶内加入 0.25%胰酶 1-2mL,以能覆满培养皿为限,所以说这个其实就是随缘就好。
- 置室温 1~5min,当发现细胞回缩变圆,细胞间隙增大后,立即终止消化。
- 吸除消化液,向培养皿中加入 1-2mL 培养基,轻轻反复吹打细胞,使之脱离形成细胞悬液。
- 计算细胞总数,分 2-4×106 个细胞到新的已加 10mL 培养基的 10cm 培养皿中,摇匀后,放入培养箱。细胞计数方法详见下节细胞计数,不同培养板的孔底面积及推荐加液量见附表。
| 培养皿规格 | 内直径 mm | 底面积 cm2 | 培养基建议 加入量(mL) | 可获细胞数 |
|---|---|---|---|---|
| 96 孔培养板 | 6.4 | 0.32 | 0.1 | 105 |
| 24 孔培养板 | 15.6 | 2 | 1 | 5×105 |
| 12 孔培养板 | 22.1 | 4.5 | 2 | 106 |
| 6 孔培养板 | 34.8 | 9.6 | 2.5 | 2.5×106 |
| 6cm 培养板 | 520 | 21 | 5 | 5.2×106 |
| 10cm 培养板 | 840 | 55 | 10 | 13.7×106 |
注:不同孔板所加培养液的液面都不宜太深,一般在 2-3mm 范围,结合不同孔的底面积就可算出各培养孔的适宜加液量。若加液量过多会影响气体交换,而且在搬动过程中易溢出造成污染。可获细胞数与细胞类型及细胞密度相关,以上只是参考细胞数,根据具体实验要求灵活选用细胞培养板。
实验步骤:(师姐的实验步骤)
- 吸除 10cm 培养皿内旧培养液。
- 加入 5mL PBS 润洗一遍后,吸除 PBS。
- 向瓶内加入 0.25%胰酶 1-2mL,以能覆满培养皿为限,所以说这个其实就是随缘就好。
- 吸除消化液,向培养皿中加入 5mL 培养基,轻轻反复吹打细胞,使之脱离形成细胞悬液。
- 取12孔板和24孔板,先向每个孔板中加入1ml的对应细胞的培养基,然后师姐按照师兄说的每个孔加入50ul的细胞悬液,这样的话就成功将细胞稀释了100倍。
注意事项:
- 操作前带好手套,进入超净台前手要用 75%酒精擦拭。
- 操作动作要准确敏捷,但又不能太快,以防空气流动,增加污染机会。
- 不能用手触已消毒器皿的工作部分,工作台面上用品要布局合理。
- 吸溶液的吸管等不能混用。
- 实验操作应在操作台中央无菌区域内进行,勿在边缘非无菌区域操作。